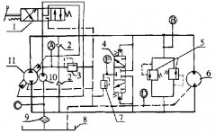
该系统由通轴泵和马达组成静液压传动,液压泵的后端装有辅助泵,用于操纵变量机构和系统的补油,主泵变量机构操纵压力等于补油单向阀的开启压力。变量泵采用两个直径相等的变量缸推动斜盘,主泵上装有补油安全阀,两个高压安全阀、梭阀和背压阀集成于液压马达上,见图2-20。

图2-20闭式静液压传动原理图
1一手动变量操作机构;2一单向阀;3一中位补油压力安全阀;4一梭动阀;5一系统压力安全阀;6一马达;7一背压阀;8一油箱;9一进油滤清器;l0一补油泵;11一主泵
图2-20中的技术要求:
A—中位补油压力,1.33-1.47MPa;
B—系统最高压力,不超过35 MPa;
C—进油真空度,最大不超过254mmHg;
D—卸荷压力,最大不超过0.25 MPa;
E—背压油压,1.12一1.26 MPa 。
联系方式:
联系人:王老师 邮箱:gkpx365@hotmail.com
联系电话:18999183549、0991-7799165、010-63866300
中国工业自动化培训网址:www.gkpx365.com
欢迎咨询企业内训,企业内训更具针对性,"对症下药"效果佳!

新公网安备 65010202000576号